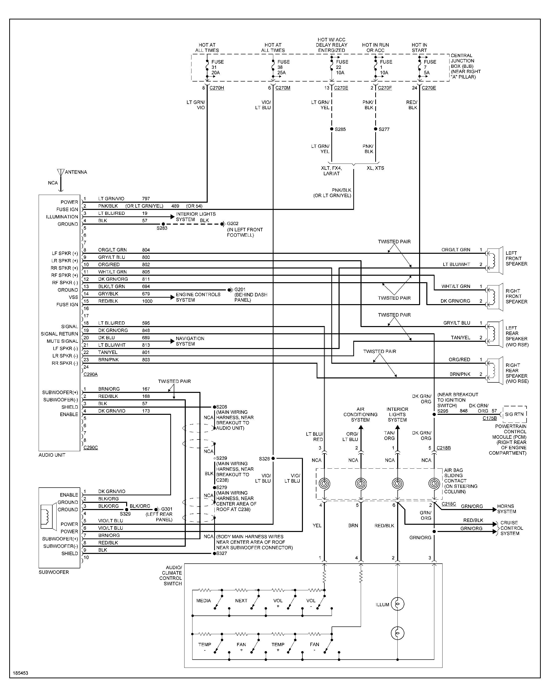
2004 F150 Radio Wiring Diagram

2001 Hyundai Elantra Wiring Diagram, Hyundai Elantra Wiring Diagrams 1998 to 2016, 8.63 MB, 06:17, 15,957, John Amahle, 2018-11-17T16:37:24.000000Z, 19, 2001 Hyundai Elantra Radio Wiring Diagram For Your Needs, www.dentistmitcham.com, 1404 x 1200, jpeg, hyundai elantra wiring diagram radio 2001 forums needs, 20, 2001-hyundai-elantra-wiring-diagram, Anime Arts
Does not show removal of original radio. How i find a 2004 ford f150 car stereo wiring diagram? Whether you’re an expert ford f150 mobile electronics installer, ford f150 fanatic, or a novice ford f150 enthusiast, a ford f150. 2009 f150 radio wiring diagram www. chanish. org.
2003 ford f 150 5 4 ignition wiring. 2004 ford f150 radio wiring diagram source: Www. untpikapps. com read sony cdx gt270mp wiring diagram collection before reading the schematic, get acquainted and understand each. 2005 ford five hundred radio wiring diagram. Fuse diagram ford box f150 mustang 1995 wiring 1997 cobra 2004 1994 under windstar hood diagrams inside taurus automotive brake. F150 fuse diagram box ford wiring 1996. 2004 f150 radio wiring diagram. I have been working on modifying my 2004 f150 for the past 2 weeks. I have built a box that is perfect and fits 2 eight inch solobaric's under the.
Factory Radio wiring diagram for 2004 ford f150

2004 Ford F150 Radio Wiring Diagram - Collection - Wiring Diagram Sample

29 2004 Ford F150 Radio Wiring Diagram - Wiring Database 2020
2004 Ford F150 Stereo Wiring Diagram Database - Wiring Diagram Sample

2004 Ford F150 Radio Wiring Harness Diagram Pictures | Wiring Collection
2004 Ford F150 Radio Wiring Harness Diagram Pictures | Wiring Collection

2004 Ford F-150 Radio: I Have a Ford F150 Super Cab Lariat, When I...

2004 Ford F-150 Radio: I Have a Ford F150 Super Cab Lariat, When I...

2004 Ford F150 Radio Wiring Harness Diagram Pictures | Wiring Collection
Image result for 2004 ford f150 dimmer switch wiring diagram | Ford f150, F150
